Hi,
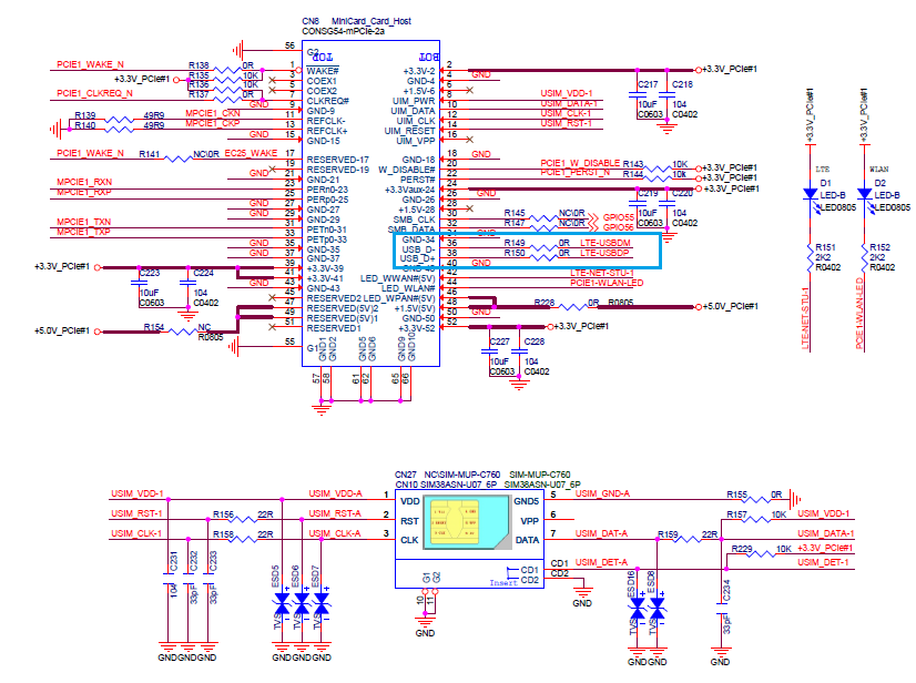
I want to use EC25-E miniPCIe module in BPI-R64 CN8 slot but it was not recognized. (No usb log and no changes in lsusb result) So I bought a BPI-EC25 usb adapter board and tested well with BPI-R64 USB port. But good EC25-E module which in BPI-EC25 usb adapter was not recognized when I insert it in BPI-R64 CN8 slot. And I found that this failed EC25-E module does not operate anymore with BPI-EC25 usb adapter.
I wonder that EC25-E module was failed permenantly when I insert in BPI-R64 CN8 slot? Is there any electrical problem? And I wonder that can I get the schematics of BPI-EC25 usb adpater.
Park

