When I use any 4g modem in PCIE slot I always get “Sim card missing” error. Any modem. I’ve tested: Quectel EP06, Telit LM960, Telit LM960A18 (both of them switched to USB2.0 only mode). When I use an m.2/pcie adapter with own sim-slot - it works good. But any 4g device in native PCIE slot doesnt get internal sim-slot working. I’ve tryed the latest BPI sources for RV2 openwrt, and vanilla openwrt snapshot. No success. The screenshots are unnecessary I suppose. Maybe there is a way to make this thing working? Mby solder smth with smth? Help plz.
Or if there are no drivers for the added modules in the mirror, can you use “lsusb” to check if the modules are present, and is there no USB device under “/dev” when using “ls /dev”?
root@ImmortalWrt:~# lsusb
Bus 001 Device 001: ID 1d6b:0002 Linux 6.12.63 dwc2_hsotg DWC OTG Controller
Bus 001 Device 002: ID 1a40:0101 USB 2.0 Hub
Bus 001 Device 003: ID 1bc7:1041 Telit Wireless Solutions LM960A18
root@ImmortalWrt:~# ls /dev
bus log mtd4 ptmx ttyUSB0 ubi_ctrl
cdc-wdm0 mapper mtd4ro pts ttyUSB1 ubiblock0_2
console mtd0 mtdblock0 random ttyUSB2 uleds
fd mtd0ro mtdblock1 rtc0 ttyUSB3 urandom
fit0 mtd1 mtdblock2 shm ttyUSB4 usbmon0
full mtd1ro mtdblock3 stderr ubi0 usbmon1
gpiochip0 mtd2 mtdblock4 stdin ubi0_0 watchdog
hwrng mtd2ro nul stdout ubi0_1 watchdog0
i2c-0 mtd3 null tty ubi0_2 zero
kmsg mtd3ro ppp ttyAMA1 ubi0_3
root@ImmortalWrt:~# sms_tool -d /dev/ttyUSB2 at 'AT+CGMI'
AT+CGMI
Telit
root@ImmortalWrt:~# sms_tool -d /dev/ttyUSB2 at 'AT+CGMM'
AT+CGMM
LM960A18
root@ImmortalWrt:~# sms_tool -d /dev/ttyUSB2 at 'AT#SIMPR?'
AT#SIMPR?
#SIMPR: 0,0,0
#SIMPR: 0,1,0
root@ImmortalWrt:~# mmcli -m 0
-----------------------------
General | path: /org/freedesktop/ModemManager1/Modem/0
| device id: 5b87455e17fdc2191f66e2e4117bf743d6b634dd
-----------------------------
Hardware | manufacturer: Telit Wireless Solutions
| model: LM960A18
| firmware revision: 32.00.114
| carrier config: default
| h/w revision: LM960A18
| supported: gsm-umts, lte
| current: gsm-umts, lte
| equipment id: 355689090036592
-----------------------------
System | device: /sys/devices/platform/soc/10000000.usb/usb1/1-1/1-1.3
| physdev: /sys/devices/platform/soc/10000000.usb/usb1/1-1/1-1.3
| drivers: cdc_mbim, option1
| plugin: telit
| primary port: cdc-wdm0
| ports: cdc-wdm0 (mbim), ttyUSB0 (ignored), ttyUSB1 (ignored),
| ttyUSB2 (at), ttyUSB3 (at), ttyUSB4 (ignored), wwan0 (net)
-----------------------------
Status | state: failed
| failed reason: sim-missing
| power state: on
-----------------------------
Modes | supported: allowed: 3g; preferred: none
| allowed: 4g; preferred: none
| allowed: 3g, 4g; preferred: none
| current: allowed: 3g, 4g; preferred: none
-----------------------------
Bands | supported: utran-1, utran-3, utran-4, utran-6, utran-5, utran-8,
| utran-9, utran-2, eutran-1, eutran-2, eutran-3, eutran-4, eutran-5,
| eutran-7, eutran-8, eutran-12, eutran-13, eutran-14, eutran-17,
| eutran-18, eutran-19, eutran-20, eutran-25, eutran-26, eutran-28,
| eutran-29, eutran-30, eutran-32, eutran-38, eutran-39, eutran-40,
| eutran-41, eutran-42, eutran-43, eutran-46, eutran-48, eutran-66,
| eutran-71, utran-19
| current: utran-1, eutran-1, eutran-3, eutran-7, eutran-20,
| eutran-38, eutran-40, eutran-41, eutran-66, eutran-71
-----------------------------
IP | supported: ipv4, ipv6, ipv4v6
-----------------------------
3GPP | imei: 355689090036592
-----------------------------
SIM | sim slot paths: slot 1: none (active)
| slot 2: none
root@ImmortalWrt:~#
As u can see, the SIM card is inserted. Modem Telit LM960A18 is in PCIE slot. no sim card detected. But if I use m2/pcie adapter and insert this modem in m2 type B slot, all works OK.
Any Ideas more?
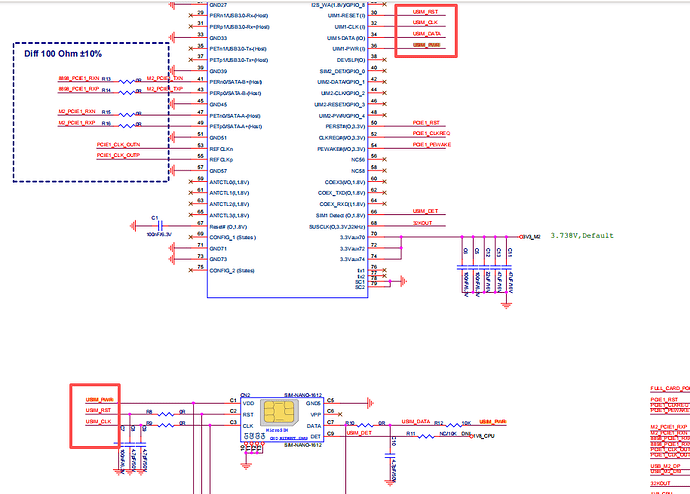
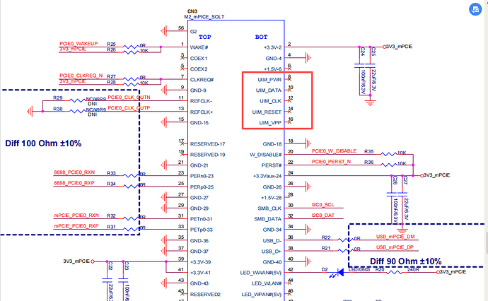
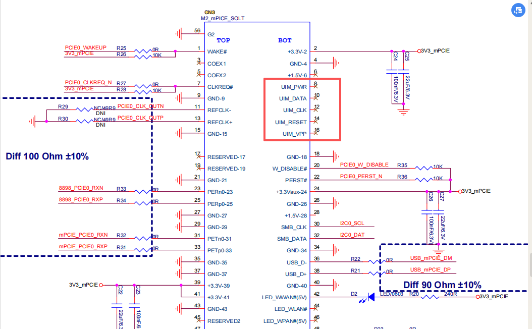
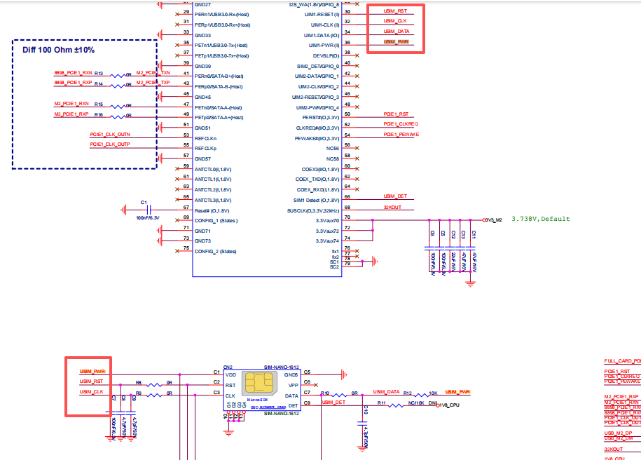
From the schematic diagram, it can be seen that the SIM card slot you have connected is located in the KEYB section. The socket for MiniPCIe does not have a built-in card slot. This can only be used with a module that has its own card slot.
Oh now I see, it’s not a bug, it’s a feature
Any chance to get it working with soldering?






